Quantum Microwave 提供一系列低溫衰減器,適用于量子計算和低溫實驗等場景。這些衰減器覆蓋 DC 至 18 GHz 的頻率范圍,提供多種衰減值(如 6 dB、10 dB、30 dB),具有低插入損耗、高回波損耗和最大功率 100 mW 的特點。產品采用非磁性設計,支持 SMPM、SMA 等連接器類型,可在極低溫(如 10 mK)環境下穩定工作,保護信號水平并降低噪聲。
HLNAKK-653是由Renaissance Electronics子公司hxi推出的寬帶低噪聲放大器(LNA),基于砷化鎵(GaAs)MMIC技術,覆蓋16-31 GHz頻率范圍,支持多個5G頻段。其典型噪聲系數為3.5 dB,增益為19 dB,增益平坦度典型值為±1.5 dB,輸出P1dB為+8.5 dB,最大射頻輸入功率為+15 dBm。該放大器采用2.9 mm女性接口,直流偏置為+6 VDC @ 100 mA,適用于原型設計、測試及低到中等體積的應用場景,提供寬帶寬和低噪聲的穩定性能。
KU PA BB 005300-3 A射頻寬帶功率放大器Kuhne是一款頻率范圍為50-3000 MHz的高性能放大器,具有高增益(最小30dB)和寬帶寬特性。它采用GaAs FET技術,提供最小34.7 dBm(50-2000 MHz)和33 dBm(2000-3000 MHz)的輸出功率,并支持COFDM模式輸出。該放大器具有反極性保護、正向功率檢測功能,封裝在機械尺寸小的銑削鋁制表殼中,適用于EMC測量、信號發生器增強以及測量和實驗室設備等應用。其工作溫度范圍為-20至+55°C,電源電壓為+24-26 V DC,最大電流消耗為1.0 A。
Luxium Solutions BC-702是一種高效的熱中子閃爍探測器,采用富集鋰化合物基質與ZnS(Ag)熒光粉結合,利用核反應6Li(n,α)3H產生閃爍光,具有優異的光輸出和伽馬背景甄別能力。其標準尺寸多樣,適用于不同應用場景,并在0.01 eV至1 eV的中子能量范圍內表現出高效探測性能,同時能在高伽馬場環境中實現有效甄別,是熱中子探測的理想選擇。
MKU PA 4M-35W HY是一款專為業余無線電愛好者設計的高性能MOSFET功率放大器,適用于68.75 MHz頻段的SSB和CW等通信模式。其技術規格包括40 W的飽和功率、37 dB的增益和60 dB的諧波抑制,工作電壓為12 - 13.8 V DC,并具有線性度好、內置低通濾波器、反向極性保護和功率監測等功能特點,是業余無線電通信的理想選擇。
Microchip 的 1N6461-1N6468 系列是 500 W 無空腔密封單向瞬態電壓抑制器(TVS),專為高可靠性應用設計,符合 MIL-PRF-19500/551 軍用標準。其特點包括無空腔密封硬玻璃外殼、500 W 峰值脈沖功率、工作峰值電壓范圍 5.0 V 至 51.6 V,以及雙層鈍化保護。電氣特性涵蓋 8/20 μs 波形下峰值脈沖電流 6 A 至 315 A、10/1000 μs 波形下鉗制電壓 9.0 V 至 78.5 V,以及反向漏電流小于 3000 μA。提供軸向引腳和表面貼裝 MELF 封裝,工作溫度范圍為 -55°C 至 +175°C,符合 RoHS 標準(商業級)。適用于軍事、ESD/EFT 保護、防雷保護及工業應用。
KU PA 080090-08 A是一款砷化鎵場效應晶體管(GaAs-FET)功率放大器,適用于800 MHz至900 MHz的頻率范圍。其主要技術規格包括:輸入功率最小14 dBm,最大+17 dBm;輸出功率在連續波模式下典型值為29 dBm(800 mW)和30 dBm(1 W);COFDM模式下最小輸出功率為23 dBm(200 mW)。該放大器適用于低功耗應用、驅動放大器以及模擬和數字傳輸系統。
RFCR2885是一款高性能同軸環形器,工作頻率范圍為9200至9800MHz,具有小于0.30dB的典型插入損耗和大于23dB的隔離度及回波損耗。其設計尺寸緊湊,支持最大500/50瓦特的正向功率和35瓦特的反向功率,工作溫度范圍為-40至+85°C,適用于多種射頻通信應用。
Farran Technology的FBC系列下變頻器,作為噪聲系數測量測試系統的頻率擴展器,兼容Agilent NFA及PXA,支持全頻段測量,具有高系統精度,適用于通信、OEM測試儀器、EW/ECM系統及雷達前端等領域,系統工作頻率26.5至40 GHz,具有低噪聲系數及便捷包裝。
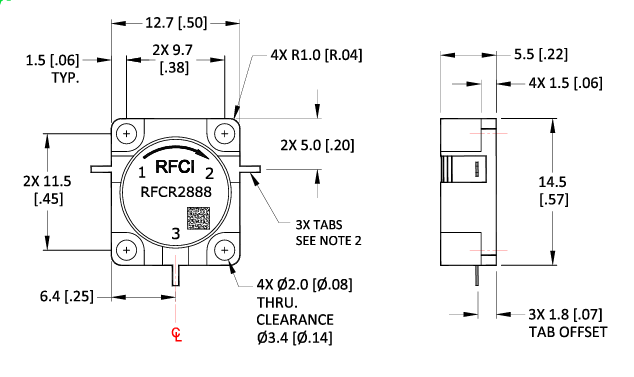
RFCR2888是一款高性能的嵌入式X波段同軸環形器,具備8000至10500 MHz的寬頻率范圍、低插入損耗(小于0.35 dB)、高隔離度(大于22 dB)以及良好的回波損耗(大于22 dB),設計緊湊且能夠承受高達500瓦的正向功率和35瓦的反向功率,適用于雷達、通信和電子對抗等高頻應用場景。
KU PA BB 005250-2 A 是一款射頻寬帶功率放大器,工作頻率范圍為 50 MHz 至 2500 MHz,具備高輸出功率(P1dB 最小 32.5 dBm,P3dB 最小 33.4 dBm)、高增益(最小 31 dB)、低噪聲系數(典型 4 dB)和良好的動態性能(諧波抑制≥25 dB,IM3≥35 dBc)。它采用緊湊的銑鋁外殼設計,尺寸為 80 mm × 60 mm × 20 mm,重量僅 140 g,適合高動態范圍測試、電磁兼容性(EMC)測試以及信號增強等應用場景。
Sonoma Scientific C10AE1是一款X頻段同軸隔離器環形器,工作頻率為10.2 GHz至10.8 GHz,具有20 dB的高隔離度、0.9 dB的低插入損耗和1.25的駐波比(VSWR),能夠處理峰值功率400 W和平均功率132 W。其尺寸為20.75英寸×0.857英寸×0.644英寸,工作溫度范圍為-25°C至+95°C,支持TNC-F/SMA-F/M接口。該產品以其高隔離度、低插入損耗、高功率處理能力和小型化設計著稱,適用于衛星通信、雷達系統以及測試與測量設備等高精度和高功率應用場景。
Model 825是由Berkeley Nucleonics Corporation生產的高性能超低相位噪聲射頻信號源合成器,頻率范圍為8 kHz至20 GHz,具備快速切換能力(標準200微秒,可選5微秒),并在1 GHz下表現出優異的相位噪聲性能(1 kHz偏移時為-120 dBc/Hz)。輸出功率范圍為0至+18 dBm,適用于自動化測試環境、電信、衛星通信、量子計算機研發等場景。
Kuhne Electronic KU SG 1000-50 W 微波發生器是一款專為等離子體生成和離子注入設計的設備,提供50 W輸出功率和10 GHz頻率,集成開關電源、冷卻系統、安全機制和隔離器于19英寸機架中,支持230 V交流電源。其符合WR-90標準的波導輸出,可通過前面板或LAN接口進行手動及遠程控制,具備VSWR和過熱保護功能,適用于科研和工業領域,確保高效、安全的操作。
Renaissance 2L9NHY-ROHS 是一款專為高清衛星電視設計的 K 波段下變頻器隔離器,工作頻率范圍為 25.8 - 27.2 GHz,具備高可靠性、高帶寬通信支持以及 1W 功率負載能力。其核心優勢包括高隔離度(18 dB)、低插入損耗(最大 1.0 dB,目標 0.8 dB)以及緊湊尺寸(2.50 x 5.00 x 1.50 英寸),同時電壓駐波比(VSWR)最大為 1.35:1,工作溫度范圍為 -40°C 至 85°C,適用于需要高精度指向性和高數據傳輸速率的射頻應用場景。
Renaissance(HXI) 2H8BAM專為航空、陸地和海上的衛星及雷達通信設計,采用寬頻帶設計,可覆蓋X和Ku波段并保護昂貴組件。其主要規格包括頻率范圍9.0 – 18.25 GHz、插入損耗1.0 dB等,工作溫度在 -25°C 至 65°C,尺寸約為12.7毫米 x 5.3毫米。產品特性和優勢顯著,能覆蓋廣泛頻率范圍,一個設備滿足X和Ku波段需求,可保護關鍵組件,且在寬頻帶內保持低損耗。
RFCR8990同軸隔離器是高性能射頻隔離器,可在射頻信號傳輸中起隔離作用,防止信號反射和干擾以提升系統性能與穩定性。其主要參數涵蓋頻率范圍12400 MHz - 18000 MHz、插入損耗典型值小于0.50 dB等多項,功率處理能力適用于高功率應用,能在 -40°C至 +85°C(工作)、 -40°C至 +95°C(存儲)的溫度環境穩定工作,適用于無線通信、雷達系統等多領域,可提高信號傳輸穩定性與可靠性。
Saint - Gobain Crystals(現Luxium Solutions)生產用于輻射測量探測器的閃爍材料,探測器易受濕度等影響。標準探測器適用于特定實驗室條件,超出該條件的惡劣環境可能使標準探測器失效,確定規格時需明確運行條件。文中列舉了低溫、低壓等惡劣環境的應對辦法,非標準探測器設計可集成可選電子設備,還能開展組件空間資格認證、設計建模與有限元分析。
Focus Microwaves的旗艦多用途諧波調諧器MPT - 3620,頻率范圍為2 GHz至36 GHz,采用三種寬帶探頭可獨立控制三個諧波頻率反射因子的幅度和相位。其技術規格包括最大功率21 W、最大VSWR 75.9:1、連接器類型2.92 mm。該調諧器應用廣泛,涵蓋高功率/高效率射頻放大器設計、混合型負載牽引測量、噪聲參數測量、大信號模型提取、脈沖I - V/RF測試、直流和S參數測試及TRL校準等領域。它具備高精度控制(能以>40 dB精度控制諧波阻抗)、多功能性(支持基波和多諧波頻率獨立控制)、高反射能力(支持高達75.9:1的VSWR)等優勢。
Norsat的Ku波段隔離器(ISO - KU)可在不同負載條件下維持低噪聲塊(LNB)的噪聲系數,保障整個系統性能,其結構緊湊,便于安裝在饋源和LNB之間,滿足專業要求,適用于所有Norsat LNB,常用于雙向VSAT、地球站、上行鏈路設施和實驗室。該產品工作于10.7至12.75 GHz頻率范圍,最大電壓駐波比1.10:1,最小隔離度20 dB,最大插入損耗0.4 dB,采用WR - 75波導法蘭,重113.4克(4盎司),包裝尺寸為118 x 60 x 45毫米。
在線留言