Saint-Gobain Crystals推出的NxGen-Ti新一代伽馬探測器,采用先進的晶體和封裝技術,提供更高的閃爍性能和更大的晶體尺寸,適用于有線、MWD和多相流應用。這些探測器以其增強的光輸出、堅固的鈦合金外殼和藍寶石窗口、以及出色的溫度和振動耐受性,確保了在極端環境下的高性能和可靠性,同時提供定制設計服務以滿足特定客戶需求。
Sonoma Scientific T9ZG1同軸隔離器環行器是一款適用于9 GHz至9.5 GHz頻率范圍的高性能微波通信組件,具有25 dB的高隔離度、2.0 dB的低插入損耗和1.3的電壓駐波比(VSWR),能夠在惡劣的工作溫度(-54°C至+85°C)下穩定運行,支持0.4 W的平均功率和400 W的峰值功率。其緊湊的尺寸(1.98 x 0.748 x 0.52 英寸)和TNC-F(母頭)/SMA-M(公頭)連接器類型,使其成為保護敏感接收器免受高功率信號損害的理想選擇。
HXI 8300雷達前端是一款專為超寬帶、全相干、線性化FMCW雷達系統設計的高性能設備,工作頻率范圍為70-77 GHz。其核心特性包括全相干操作、閉環線性化處理、支持多達64個模塊的擴展配置(最遠可達20英尺),并具備多照明和多視角功能。技術規格上,該雷達前端提供高線性度的FM掃描(>99.99%),低噪聲系數(典型9 dB),以及靈活的RF輸出功率(典型7 dBm至20 dBm)。此外,它還支持多種同步輸出和精確的I/Q相位與幅度平衡,適用于多種復雜環境,工作溫度范圍廣泛(0至+50°C),并具備高濕度耐受性。整體設計緊湊,模塊化,便于集成和擴展。
ELMTBKU003-EF是Norsat International Inc.生產的3W Ku-Band MiniBuc,專為Ku波段衛星通信系統設計,具有高效率和緊湊尺寸。其關鍵規格包括Ku-Band E-Extended波段、10 MHz外部參考頻率、12.80 GHz LO頻率、13.75-14.50 GHz輸出頻率和3W輸出功率。射頻規格顯示增益平坦度和線性增益,而電氣規格涵蓋電流和電壓要求。機械、環境和物理規格確保其在各種條件下的可靠性和適用性,使其成為衛星和軍事通信應用的理想選擇。
CR2883H 是 RF Circulator Isolator, Inc. (RFCI) 推出的一款高性能雙環形器循環器,專為在 7200 MHz 至 8400 MHz 的頻率范圍內工作設計,符合 RoHS 標準。其特點包括低插入損耗(典型值小于 0.30 dB 至 0.50 dB)、高隔離度(最小值 20 dB 至 40 dB)、高回波損耗(最小值 20 dB)、以及寬廣的工作和存儲溫度范圍(-40°C 至 +85°C 和 -40°C 至 +95°C)。
WC8XA1是Sonoma Scientific生產的X頻段波導隔離器環行器,適用于8.7-9.4GHz頻率范圍,具備5000 W功率容量、1.2的駐波比、20 dB隔離度和0.2 dB插入損耗,是微波通信、雷達和衛星通信的理想選擇。Sonoma Scientific以其高質量微波組件聞名,深圳市立維創展科技有限公司是其代理商,提供多種類型的射頻隔離器和環形器。
Norsat 2007XUAF LNB是一款高性能的四頻段Ku波段低噪聲下變頻器(LNB),專為需要接收多個衛星信號的應用設計。其主要特性包括高達60 dB的高增益、0.8 dB的低噪聲系數、覆蓋四個Ku波段頻率范圍的四頻段覆蓋能力,以及高穩定性的本振頻率。技術規格涵蓋廣泛的輸入和輸出頻率范圍,支持多種本振頻率和電壓/調諧選項。該LNB適用于衛星電視、廣播、數據傳輸和遠程通信等多種應用,具備高靈活性和可靠性。
FPA-10-0003是一款中等功率的全WR-10波導頻段放大器,典型輸出功率為+10 dBm,具有高增益、高P1dB(1dB壓縮點)和寬帶寬(35 GHz),適用于通信接收器、無線鏈路、驅動放大器、點對點通信和傳感器/雷達等應用。其頻率范圍為75-110 GHz,飽和輸出功率為+10 dBm,增益為10 dB,直流功率為6V/150mA,輸入/輸出VSWR為2.5:1。
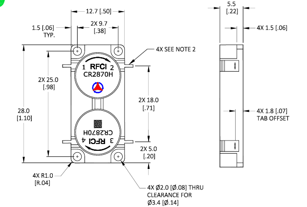
CR2870H 是一款高性能的同軸雙路循環器,專為高隔離度和低插入損耗的應用設計,符合 RoHS 標準。其頻率范圍為 3400 MHz 至 3600 MHz,插入損耗典型值小于 0.40 dB,隔離度典型值大于 25 dB 和 55 dB。該設備支持高功率處理,正向功率峰值/平均值最大為 500/50W,反向功率 CW 最大為 50W,工作溫度范圍為 -40°C 至 +85°C,適用于衛星通信、雷達系統和無線通信基礎設施等高頻率和高功率需求的通信系統。
CR2875F3是一種微波雙環行器,工作頻率范圍為4200 MHz至4400 MHz,具有兩個輸入/輸出端口(標記為1和2)和一個信號輸入/輸出端口3。其設計支持信號在特定方向上的流動,實現高效的信號隔離和控制。物理尺寸為25.4 mm寬、14.5 mm高和19.0 mm深,配備四個2.0 mm直徑的安裝孔。電氣特性包括低插入損耗(P1-P2小于0.50 dB,P2-P3小于0.30 dB)和高隔離度(P2-P1最小40 dB,P3-P2最小20 dB)。該設備支持高達500/35瓦特的正向功率和20瓦特的反向功率,工作溫度范圍為-40°C至+85°C,存儲溫度范圍為-40°C至+95°C,適用于雷達、衛星通信和無線基礎設施等微波通信系統。
Norsat的ELMTBKU010-EF Ku波段BUC是一款專為Ku波段衛星通信設計的高性能上行轉換器,具備10W額定輸出功率、72 dB最大線性增益和低相位噪聲(如100Hz偏移時-65 dBc/Hz),適用于1950-1700 MHz輸入頻率和113.75-14.50 GHz輸出頻率。該設備支持寬工作溫度范圍(-40至+60°C)和IP67防護等級,確保在惡劣環境中的耐用性,適用于高可靠性和穩定性的衛星通信和廣播應用。
HXI, LLC,作為Renaissance Electronics & Communications的子公司,專注于高科技領域的先進電子解決方案。其市場覆蓋太空、國防、無線/電信和醫療等多個關鍵領域,主要服務于國防、太空、商業和電信客戶。產品線包括多芯片模塊、集成組件、雷達前端、太空認證組件等,特點是廣泛的頻率范圍、多樣化的設計和接口選項。主要產品系列有低噪聲放大器、功率放大器、頻率倍增器等,廣泛應用于汽車雷達測試、5G開發、雷達前端集成等領域。此外,HXI還提供定制解決方案,并制定了包括Ka波段轉換器、5G應用組件等在內的技術路線圖,致力于成為全球領先的高科技電子解決方案提供商。
WHMB-19系列是一款高性能的諧波混頻器,專為頻率擴展應用設計,特別兼容安捷倫和羅德與施瓦茨頻譜分析儀。其主要特點包括低轉換損耗、平坦的頻率響應、高達500 GHz的頻率覆蓋,以及無需偏置的反并聯二極管對設計。該產品廣泛應用于頻譜分析、毫米波儀器、信號處理和鎖相環等領域。技術規格方面,其頻率范圍為40-60 GHz,適用于U波段,采用WR-19波導設計,中頻范圍為直流至1000 MHz,轉換損耗低至35 dB,且無需外部偏置。
Norsat的LNAKA10SP是一款高性能單頻Ka波段低噪聲放大器(LNA),專為在17.20至18.20 GHz頻率范圍內提供卓越的信號放大和低至1.5 dB的噪聲系數而設計。其關鍵特性包括50至60 dB的轉換增益、4 dB的增益平坦度、+5 dBm的輸出1dB壓縮點以及IP 67防護等級,確保在惡劣環境下耐用。該LNA支持+12至+24V直流電源,配備MS3112E10-6P輸入連接器和WR 42波導法蘭,尺寸為60.0 x 45.0 x 103.6 mm,重量0.45 kg,適用于衛星通信和雷達等高性能系統。
Focus Microwaves的C5020B Fundamental Tuner是一款專為高頻晶圓片上測量設計的電機械調諧器,具有2-50 GHz的頻率范圍、2.4 mm連接器、最小VSWR為10:1、可承受16 W連續波功率、具有-40/-50 dB的重復性,長度為13.945英寸,其低輪廓設計允許探針尖端與調諧器直接連接,減少插入損耗,優化調諧范圍,同時減小了調諧器的尺寸和重量。
Norsat LNAC00NP這款單頻段C波段低噪聲放大器(LNA)具有13.40-14.20 GHz的頻率范圍,提供50-65 dB的轉換增益,增益平坦度為4 dB峰峰值,支持-6 dBm至+10 dBm的輸入功率,并在+12至+24V DC的電源下工作。它具備IP67的防塵防水等級,能在-40至+60°C的溫度范圍內穩定運行,尺寸為98.8 x 70.0 x 164.5 mm,重量僅為0.63 kg,適合于需要高增益和低噪聲系數的衛星通信和軍事通信等應用。
KU PA 190250 - 80 LIN是一款LDMOS功率放大器,專為1900至2500 MHz頻率范圍內的高線性和高數據傳輸率應用設計,具備射頻預失真功能以補償非線性,適用于數字廣播、COFDM系統和多點分布服務,具有高增益平坦度、諧波抑制和輸出保護,適用于電信、廣播和科研等領域。
Farran Technology的平衡混頻器采用平面技術和GaAs肖特基障礙梁引線二極管,具備低轉換損耗、低噪聲系數、出色的噪聲抑制和本振-射頻隔離特性。這些小型化、高可靠性的設備支持偏置操作以降低本振驅動要求,設計靈活,可根據客戶需求選擇多種混頻器架構,中頻覆蓋范圍至少18GHz,某些頻段提供全射頻/本振帶寬。應用領域包括通信、輻射測量、雷達和實驗室測試系統,射頻頻率范圍為40-60 GHz,轉換損耗為6 dB,噪聲系數為5.5 dB。
Norsat的單頻段Ku波段低噪聲放大器是一款高性能射頻放大器,設計用于在10.70至12.75 GHz的Ku波段范圍內工作,提供最大60 dB、最小50 dB、典型55 dB的轉換增益,以及0.8 dB的低噪聲系數。它具備優秀的增益平坦度和增益波動控制,支持+12至+24V直流電源,具有IP 67防護等級,能在-40至+60°C的溫度范圍內穩定工作。產品尺寸緊湊,重量輕,適合多種射頻應用,如衛星通信。
FLNA-28-20是一款26.5-40 GHz全Ka波段的低噪聲放大器,由HXI, LLC在美國銷售和支持。它以低噪聲系數、全波導頻段覆蓋、單電源供電和緊湊尺寸為特點,適用于通信接收器、雷達前端、驅動放大器和點對點通信等應用。該放大器提供13.5 GHz的帶寬,典型噪聲系數為4-5 dB,增益為20 dB,直流功率消耗為8V/100mA,且VSWR為2.0:1。
在線留言