Renaissance 12A4BG-40N雙定向耦合器
發布時間:2025-07-25 08:56:22 瀏覽:1668
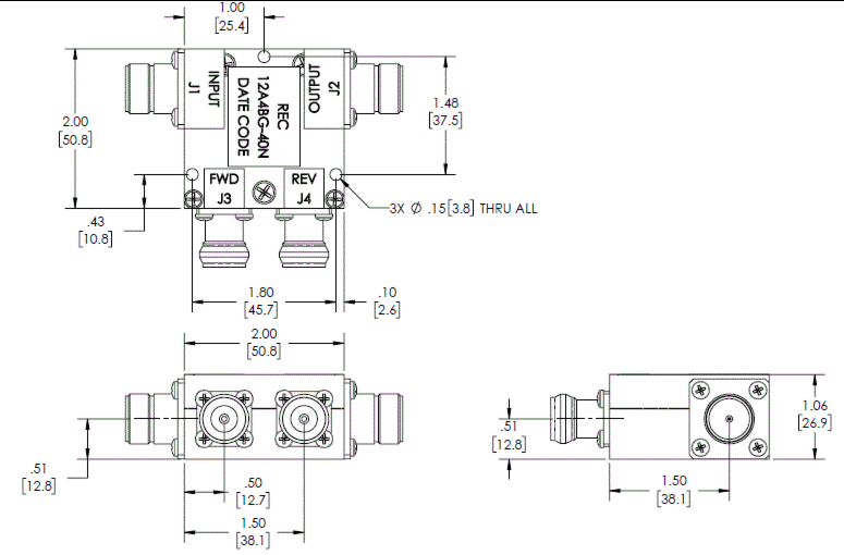
Renaissance 12A4BG-40N是一款雙定向耦合器,由 Renaissance Electronics公司生產。其工作頻率范圍為700MHz至4.2GHz,尺寸為2×2×1.06英寸,適用于測試和測量應用。


Renaissance Electronics & Communications, LLC 是一家專注于高可靠性無源和有源組件以及子系統的設計和制造公司,其產品廣泛應用于軍事和商業領域。HXI公司(已被Renaissance收購)是一家專注于射頻和微波技術的公司,主要為國防、太空和航空市場提供廣泛的產品線,包括低噪聲放大器、功率放大器、頻率倍增器、混頻器/上變頻器、波導隔離器和環行器以及PIN開關等,頻率覆蓋從18 GHz至110 GHz。深圳市立維創展科技有限公司優勢供銷Renaissance/HXI產品,歡迎咨詢了解。
推薦資訊
Kuhne Electronic MKU LNA 572 BF 是一款專為5.7GHz頻段(5710–5810MHz)設計的超低噪聲前置放大器,具備卓越性能:噪聲系數僅0.7dB(18°C時),增益≥25dB,可處理最大1mW輸入功率。
HXI HMPAS-619 S-Band VPA是一款高性能、靈活且可靠的射頻功率放大器,專為衛星通信和其他需要可變功率放大的應用設計。其特點包括數字可配置的輸出功率范圍(1W到8W)、支持定制化、模塊化設計、內置溫度傳感器和功率檢測器、基于SPI的功率控制、短路保護等。技術規格涵蓋了廣泛的工作頻率(2200-2300 MHz)、高輸出功率(最大+39 dBm)、寬輸入電壓范圍(5-30 V)、高功率放大效率(最小45%)以及多種保護和監測功能。該設備適用于各種射頻應用,特別是在衛星通信領域表現出色。
在線留言