20 dB),適用于衛星通信、雷達及基站等射頻系統。其耐功率達250W峰值/25W均值,工作溫度范圍-40至+85°C,采用緊湊設計(外徑12.1mm×高4.4mm),配備3引腳(間距2.0mm)和4個1.0mm安裝孔,滿足嚴苛環境下的高隔離信號傳輸需求。">
RFCI RFCR2911法蘭安裝嵌入式環行器
發布時間:2025-04-11 09:07:24 瀏覽:1379
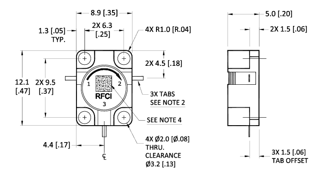
這是RFCI生產的RFC2911的法蘭安裝嵌入式同軸環行器。環行器是一種用于微波和射頻通信系統中的非互易性器件,它允許信號在一個方向上通過,而在相反方向上阻止信號。RFCR2911環行器適用于需要高隔離度和低插入損耗的射頻和微波應用,如衛星通信、雷達系統和無線通信基站。

電氣規格
頻率范圍:13.0 GHz至16.0 GHz
插入損耗:典型值小于0.45 dB,最大值0.50 dB
隔離度:典型值大于20 dB,最小值18 dB
回波損耗:典型值大于20 dB,最小值18 dB
功率和溫度等級
正向功率:峰值/平均值250/25W
反向功率:最大10W
工作溫度:-40至+85°C
存儲溫度:-40至+95°C
機械尺寸
尺寸:外徑12.1mm,高度4.4mm
安裝孔:4個直徑1.0mm的安裝孔
引腳:3個引腳,間距2.0mm
引腳偏移:1.5mm
RFCI是一家專業生產射頻(RF)環行器和隔離器的公司,產品覆蓋了從50 MHz到20 GHz的頻率范圍,廣泛應用于通信和無線基礎設施。深圳市立維創展科技有限公司優勢代理銷售RFCI產品,歡迎咨詢了解。
推薦資訊
sky power二沖程發動機sp-56 TS ROS配備56 CCM和后輸出軸,是sky power產品組合中最小的兩缸發動機。Sp-56 ROS發動機配備化油器和改進的氣缸設計,以提高熱穩定性。發電機可以安裝在后輸出軸上。
Sonoma Scientific 提供的2-6 GHz隔離器系列,如E2XB3和E2XB8等型號,具有優異的隔離度和低插入損耗,適用于多種射頻應用。這些隔離器支持廣泛的工作溫度范圍,采用不同的接口配置,如SMA和3.5-F,能夠處理不同級別的前向功率,尺寸也有所差異,以滿足不同設備的需求。
在線留言