Microsemi 1N3595AUR開關二極管
發布時間:2025-03-21 09:02:44 瀏覽:1593

產品概述
型號:1N3595AUR
類型:開關二極管
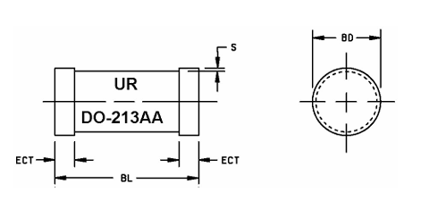
封裝形式:金屬化鍵合,氣密封裝,雙插頭結構(DO-213AA)
符合標準:符合 MIL-PRF-19500/241 標準
電氣特性
直流電氣特性
正向電壓(VF):
在 25°C 環境溫度下,不同正向電流(IF)下的正向電壓范圍:
1mA:0.52V - 0.70V
5mA:0.60V - 0.765V
10mA:0.65V - 0.80V
50mA:0.74V - 0.88V
100mA:0.79V - 0.92V
200mA:0.83V - 1.00V
反向漏電流(IR):
在 25°C 環境溫度下,125V 反向電壓時,反向漏電流小于等于 0.002μA
在 -55°C 環境溫度下,100V 反向電壓時,反向漏電流小于等于 150μA
在 150°C 環境溫度下,125V 反向電壓時,反向漏電流小于等于 3μA
反向擊穿電壓(VBR):
在 25°C 環境溫度下,反向擊穿電壓大于等于 100V
交流電氣特性
電容:在 0V 偏壓下,電容小于等于 8.0pF
反向恢復時間(TRR):在 10mA 正向電流和 35V 反向電壓下,反向恢復時間小于等于 3.0μs
極限參數
工作溫度范圍:-65°C 至 +175°C
存儲溫度范圍:-65°C 至 +175°C
浪涌電流:
1s 正弦波:500mA
1μs 正弦波:4A
總功耗:500mW
工作電流:在 25°C 環境溫度下,最大 150mA
直流反向電壓(VRWM):125V
封裝尺寸
封裝類型:DO-213AA
尺寸:
長度(L):1.60mm - 1.70mm
寬度(W):3.30mm - 3.70mm
高度(H):0.41mm - 0.55mm
引腳間距(S):最小 0.03mm
設計數據
封裝:氣密封裝玻璃外殼,符合 MIL-PRF-19500/241 標準
引腳材料:銅包鋼
引腳表面處理:錫/鉛
熱阻(ZθJX):最大 70°C/W
極性:陰極端帶有標記
應用場景
1N3595AUR 適用于需要高可靠性和快速開關性能的電路,例如:
高頻開關電路
電源電路中的整流和保護
脈沖電路
軍用和航空電子設備
Microsemi 是美國高可靠性電子元器件廠商,其軍級二三級管產品,被廣泛應用于全球高端市場,深圳市立維創展科技有限公司,授權代理銷售Microsemi軍級二三級產品,大量原裝現貨,歡迎咨詢。
推薦資訊
Ampleon公司ART1K9FH是一款基于Advanced Rugged Technology (ART)平臺的高功率RF LDMOS晶體管,工作電壓50-55V,可在1MHz-500MHz頻段提供最高1900W輸出功率,具有23.5-24.6dB增益、68%-72.5%效率和-19dB輸入反射損耗,采用SOT539A空氣腔陶瓷封裝實現低熱阻,其突破性的65:1 VSWR耐受能力特別適合工業等離子體發生器、醫療MRI系統和廣播通信設備等嚴苛應用場景。
?線路接收器能夠包含:緩沖器,適用于在第一時間段中接收模擬信號并按照所接收的模擬信號向負載提供輸出數據信號,這其中所述緩沖器包含不少于兩個晶體管;耦合電路在所述不少于兩個晶體管的柵極之間的電容元器件,適用于在第一時間段內向型所述不少于兩個晶體管的柵極提供DC數據信號;及其適用于在第二時間段內將電容器元器件耦合電路到直流參考電壓的電源開關。
在線留言