PmTA-721-45-2.3低噪聲放大器Princeton Microwave
發布時間:2024-12-23 09:10:01 瀏覽:1503

PmTA-721-45-2.3低噪聲放大器適用于需要高增益和低噪聲系數的應用,如通信系統、雷達和電子戰系統。
| Electrical Specifications (TA=25C) | |
| Parameters | Specifications |
| Frequency | 7 to 21 GHz |
| Small Signal Gain | 45 minimum |
| Gain Flatness | ±1.25 dB |
| Noise Figure | 2.3 dB at mid band |
| Input Return Loss | -10 dB |
| Output Return Loss | -10 dB |
| Pout | 15 dBminimum |
| Operating DC Voltage | 12 Volts |
| Operating DC Current | 100 mA |
| Connectors | SMA Female |
| DC Connector | Solder in Filter |
| Absolute Maximum Rating | |
| DC Voltage | 20 Volts |
| RF Input Power | 5 dBm |
| Operating Temperature | -40°C to85°℃ |
| Storage Temperature | -55°C to 150℃ |
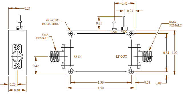
尺寸:

PmT公司自1993年起為軍事和電信市場提供高質量的微波器件,如振蕩器和放大器。該公司產品系列包括各種振蕩器、低噪聲放大器、功率放大器、功率分配器、耦合器、濾波器、混頻器等。立維創展代理分銷PmT公司產品,歡迎了解。
推薦資訊
?Q-Tech的QT725S低噪聲壓控SAW振蕩器在400MHz至1.3GHz的工作頻率范圍內提供出色性能。該產品具有低相位噪聲水平,在10kHz偏置下為-135 dBc/Hz,噪聲底為-168 dBc/Hz。典型的振動靈敏度為1ppb/g。
LC4512V-75FTN256I是一款高性能CPLD,屬于ispMACH4000V系列,集成512宏單元,支持3.3V工作電壓,最大用戶I/O數208,內部頻率178.57MHz。適用于工業控制、汽車電子等領域,支持ISP和可重編程,符合RoHS標準。
在線留言