X-1620NL SMT信號隔離變壓器iNRCORE
發布時間:2024-10-31 09:02:02 瀏覽:2422

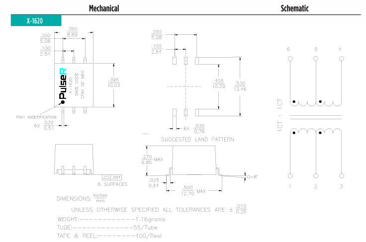
iNRCORE X-1620NL是一款專為惡劣環境設計的小尺寸信號隔離表面貼裝(SMT)變壓器,具備以下特點:
主要特點:
高隔離電壓:至少3kVrms。
寬工作溫度范圍:從-55°C至+125°C。
耐用材料:錫/鉛結構。
濕度敏感性等級:3級。
電氣規格:
匝比:1CT:1CT,初級與次級匝比精度為±2%。
初級電感:至少1mH。
直流電阻(DCR):最大0.8Ω。
漏感:最大1.2mH。
繞組間電容(Cww):最大25pF。
初級電容(Cd Pri @ 10MHz):最大10pF。
引腳配置:1-3。
物理特性:
重量:1.16g,輕巧設計,便于集成。
尺寸:10.03 × 8.89 × 6.85mm,小巧尺寸適合空間受限的應用。
這款X-1620NL變壓器在耐高溫、抗濕性以及高電壓隔離性能方面表現卓越,非常適合需要高環境適應能力的應用場景,如工業控制、汽車電子和通信設備。

相關推薦:
推薦資訊
DAC7541AJP是一款由Burr-Brown(現屬TI)生產的12位四象限乘法數模轉換器,以其低成本和高質量性能著稱,適用于多種工業應用。主要特性包括全四象限乘法、12位端點線性、差分線性度±1/2lsb、溫度下保證單調性、TTL/CMOS兼容、單路+5V至+15V電源、7521/7541/7541A替換、塑料DIP和SOIC封裝、低成本。電氣特性包括VDD最大+17V、VREF最大+25V、VRPB最大±25V、數字輸入電壓-0.4V至VDD、VPIN 1, VPIN 2 -0.4V至VDD、功耗在+75°C時為450mW、焊接溫度+300°C、儲存溫度+125°C。
ADC-HX12BGC是一款12位精度的單通道模數轉換器,關鍵性能包括20μs轉換速度(對應50kSPS采樣率)和0.5LSB積分非線性誤差,通過±15V/5V多電源供電支持五種可編程輸入范圍(±10V/±5V/±2.5V及0-5V/0-10V),典型應用場景涵蓋工業PLC模擬量采集(如0-10V壓力傳感器接口)和實驗室儀器(±5V示波器垂直通道數字化),其1.1W功耗和商業級溫度規格(0-70℃)使其特別適合嵌入式測量系統,如Agilent 34970A數據采集模塊中的信號調理單元。
在線留言