EN6362QI PowerSoC DC-DC降壓轉換器Intel
發布時間:2024-08-09 09:14:09 瀏覽:1323
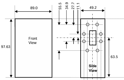
EN6362QI PowerSoC DC-DC降壓轉換器是一款集成了電感、PWM控制器、MOSFET和補償的電源系統片上(Power SoC)解決方案。這款轉換器由Intel開發,旨在為現代電子設備提供高效、穩定的電源管理。其緊湊的8x8x3mm 56引腳QFN封裝設計,使得EN6362QI成為市場上解決方案尺寸最小的DC-DC轉換器之一。

關鍵特性:
最大輸出電流:6.0A,確保在高負載情況下也能提供穩定的電源。
輸入電壓范圍:3.0 - 6.5V,適用于多種電源輸入場景。
輸出電壓范圍:0.6 - 輸入電壓V,提供靈活的輸出電壓調節。
封裝尺寸:QFN56 (8 x 8)mm,緊湊的設計便于集成到各種設備中。
解決方案尺寸:160mm,提供全面的電源管理解決方案。
特殊功能:
電源良好標志:實時監控電源狀態,確保系統穩定運行。
可編程軟啟動:減少啟動時的電流沖擊,保護電路。
精度支持:確保電壓輸出的精確性,提高系統性能。
可編程頻率:允許用戶根據需要調整工作頻率,優化電源效率。
1.5% 電壓輸出準確性:高精度的電壓輸出,確保設備穩定運行。
引腳兼容 EN6382QI:方便升級和替換,降低設計成本。
注:EN6362QI PowerSoC DC-DC降壓轉換器已停產,立維創展提供有效替代方案,具體可咨詢。
相關推薦:
推薦資訊
MAXM15062/MAXM15063/MAXM15064是美信的降壓電源模塊,專為工業等領域設計。MAXM15062/MAXM15063提供固定3.3V和5V輸出,而MAXM15064提供可調輸出(0.9V至5V)。這些模塊支持4.5V至60V的寬范圍輸入,輸出電流最高可達300mA。應用領域包括工業傳感器和編碼器、HVAC和建筑控制、電池供電設備、通用電源、Type-C充電端口、4-20mA電流環供電傳感器、LDO替代品和通用負載點電源。
MAX3032E是Maxim公司推出的3.3V四路RS-422發送器,具備±15kV ESD保護、20Mbps高速傳輸和熱插拔功能,靜態功耗低于330μW。其工業級設計支持熱關斷保護,提供16引腳TSSOP/SO封裝,適用于工業自動化(如PLC通信)、高速數據采集及設備串行接口擴展等場景,兼顧高可靠性與低功耗需求。
在線留言