FS1406-0600-AS μPOL DC-DC電源模塊TDK
發布時間:2024-07-09 09:05:01 瀏覽:1254
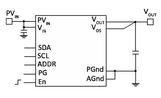
FS1406是一個由TDK公司生產的完全集成的微型負載點(μPOL?)電壓穩壓器,集成了脈寬調制(PWM)控制器、MOSFET、電感器和電容器,形成了一個非常緊湊且準確的穩壓器。其低剖面封裝適用于自動化裝配,使用標準表面貼裝設備。該模塊由跨功能工程團隊開發,體現了最佳實踐和領先技術,特別是在使用I2C總線進行編程操作方面,這是同類產品中的創新特點。

FS1406-0600-AS μPOL DC-DC電源模塊是由TDK公司生產的一款高度集成的降壓穩壓器,專為需要緊湊、高效且功能豐富的電源管理解決方案的應用而設計。以下是該模塊的主要特性和應用介紹:
特性
μPOL?封裝:模塊內部集成了輸出電感器,實現了高度集成化。
體積?。撼叽鐑H為3.3mm x 3.3mm x 1.5mm,非常適合空間受限的應用。
高負載能力:能夠連續提供6A的負載電流。
即插即用:無需外部補償,簡化了設計和部署過程。
I2C串行總線:支持可編程操作,提供了靈活的控制選項。
寬輸入電壓范圍:支持4.5至16V的輸入電壓。
可調節輸出電壓:輸出電壓范圍為0.6至2.64V,初始精度達到±0.5%。
保護功能:包括預偏置啟動保護、軟啟動保護、過電壓保護、熱補償過電流保護、熱關斷和自恢復功能等。
工作溫度范圍:從-40°C至+125°C,適應各種環境條件。
環保:無鉛無鹵素,符合EU指令REACH和RoHS 6。
應用
FS1406-0600-AS模塊非常適合以下應用:
- 存儲應用
- 電信和網絡應用
- 工業應用
- 服務器應用
- 分布式負載架構
- 外圍電壓調節
- 一般DC-DC轉換應用
型號:
| Part numbers | ||
| Vour | 250 devices on a ree | 4000 devices ona reel |
| 0.60 | FS1406-0600-AS | FS1406-0600-AL |
| 0.70 | FS1406-0700-AS | FS1406-0700-AL |
| 0.75 | FS1406-0750-AS | FS1406-0750-AL |
| 0.80 | FS1406-0800-AS | FS1406-0800-AL |
| 0.90 | FS1406-0900-AS | FS1406-0900-AL |
| 1.00 | FS1406-1000-AS | FS1406-1000-AL |
| 1.05 | FS1406-1050-AS | ES1406-1050-A |
| 1.10 | FS1406-1100-AS | FS1406-1100-AL |
| 1.20 | FS1406-1200-AS | FS1406-1200-AL |
| 1.80 | FS1406-1800-AS | FS1406-1800-AL |
| 2.50 | FS1406-2500-AS | FS1406-2500-AL |
| 2.64 | FS1406-2640-AS | FS1406-2640-AL |
相關推薦:
注:TDK μPOL?嵌入式DC-DC電源模塊型號產品可用Cyntec電源模塊進行替代,具體替代方案可咨詢立維創展。
推薦資訊
A15系列15W高壓直流/直流轉換器是美國電源設計公司推出的高性能產品,采用六面金屬外殼設計,提供高精度、高可靠性的隔離輸出,適用于9-36Vdc、20-60Vdc、36-72Vdc的寬輸入電壓范圍,輸出電壓可達24-200Vdc,效率達87%,具有低紋波(<0.4%)和優異溫度穩定性(±0.02%/°C),尺寸為25.4×50.8×10.41毫米,重量1.2盎司,采用鎳鍍金屬外殼。
在軌道應用中選擇DC-DC轉換器時,需考慮輸入電壓范圍、電磁兼容性、機械沖擊和振動、溫度和濕度以及隔離電壓等關鍵因素。選擇符合EN 50155和EN 50121-3-2標準的認證產品,如CUI Inc.的PRQE系列,可確保電力系統穩定可靠,滿足現代軌道應用的高級功能需求。
在線留言