IRFP4768PbF功率MOSFET英飛凌(Infineon)?
發布時間:2024-03-28 11:25:04 瀏覽:1926
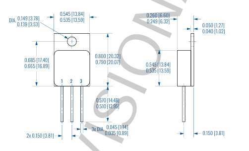
IRFP4768PbF是英飛凌(Infineon)生產的StrongIRFET?功率MOSFET,采用TO-247封裝,適用于250V單N溝道設計。
StrongIRFET?功率MOSFET系列經過專門優化,具有低RDS(on)和高電流承受能力,特別適用于對性能和可靠性要求較高的低頻應用場景。該系列產品廣泛應用于直流電機、電池管理系統、逆變器和DC-DC轉換器等領域。

特點:
- 針對分銷合作伙伴的最廣泛可用性進行了優化
- 符合JEDEC標準認證要求
- 采用行業標準通孔電源封裝
- 具有高電流額定值
優勢:
- 來自分銷合作伙伴的廣泛可用性
- 符合行業標準資質等級
- 標準引腳排列,可直接替換使用
- 高功率密度
潛在應用:
- SMPSUPS
- 太陽能逆變器
- 直流電機驅動
應用領域:
- 不間斷電源(UPS)
- 單相組串式逆變器解決方案
- 離線UPS中的高頻變壓器
規格參數:
- ID (@25°C) max:93 A
- 安裝方式:THT
- 工作溫度范圍:-55°C 到 175°C
- 最大功耗:520 W
- 封裝形式:TO-247
- 極性:N溝道
- 輸入電荷QG (typ @10V):180 nC
- 輸出電荷Qgd:72 nC
- 開啟時的導通電阻RDS(on) (@10V) 最大值:17.5 mΩ
- 導熱阻抗 RthJC 最大值:0.29 K/W
- 最高結溫:175°C
- 最大耐壓:250 V
- 門極-源極閾值電壓VGS(th):4 V至5 V
- 最大門極-源極電壓VGS:20 V
深圳市立維創展科技有限公司,優勢分銷Infineon英飛凌部分產品線,快速交付,歡迎聯系。
推薦資訊
Solitron SMF473 是一款400V N溝道功率MOSFET,專為高功率應用設計,具有低R DS(on)(400V時40mΩ,10V時22mΩ)、高耐壓(400V)、高輸入和輸出電容(C iss 2900pF,C oss 3900pF)以及低反向恢復電荷(Q rr 22nC)。其連續漏極電流ID為23A,脈沖漏極電流IDM為92A,最大功率耗散P為250W,線性降額因子2W/°C,工作溫度范圍-55°C至150°C。
LC4512V-75FTN256I是一款高性能CPLD,屬于ispMACH4000V系列,集成512宏單元,支持3.3V工作電壓,最大用戶I/O數208,內部頻率178.57MHz。適用于工業控制、汽車電子等領域,支持ISP和可重編程,符合RoHS標準。
在線留言