ANDON 高溫200℃封閉框架ICDIP插座,帶支架
發布時間:2021-07-05 17:09:38 瀏覽:2299
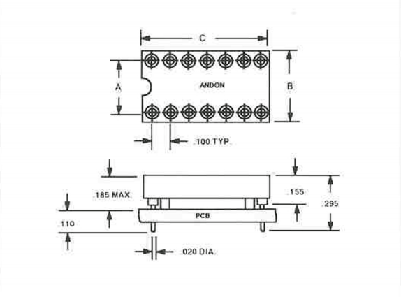
ANDON的高溫200℃ DIP插座選用絕緣質料舉行集成和模壓,以完成非常佳的機械安全性。這些插座配有模壓支架,以完成非常大的焊接可視性。特色包含:非常大的絕緣籠蓋局限,以防備在高打擊和振動環境短路。一個易于裝備插入的引入倒角,一個關閉的底部,以防備焊料芯吸進入觸碰地區,以及用于精確安置在PCB。
ANDON的高溫200℃ DIP插座上的剛性端子是阻燃劑,可處分高達250℃的溫度,并由高溫鄰苯二甲酸二烯丙酯perMIL-M-14G,SDG-F型制作完成。

特殊功能和好處:
雙列直插式插座,用于低剖面、高密度包裝。
插座接管圓形或扁平引線的封裝。
插座一端的切口,用于分度定位
模壓剛性焊接端子在安置到PC板上時不會蜿蜒
端子/觸點組件-與絕緣質料集成和模制,以完成非常佳的機械安全性。為焊接可視性供應模壓支架。
非常大的絕緣籠蓋,以防備在高打擊和振動環境短路。
引入倒角,便于插入裝備
關閉的底部防備焊料芯進入觸碰地區。
高溫鄰苯二甲酸二烯丙酯/MIL-M-14G,SDG-F型,阻燃劑,溫度局限高達250℃。
ANDON為全世界客戶提供了高性能電源插座產品,如CCD、光電、傳感器、電池等項目。產品廣泛運用于研發設計、軍事及高溫環境工程。深圳市立維創展科技有限公司,授權代理銷售ANDON產品,歡迎咨詢。
詳情了解ANDON請點擊:/brand/76.html
或聯系我們的銷售工程師:0755-83642657 QQ: 2295048674
上一篇: Bird射頻便攜式功率計
推薦資訊
AirBorn iW系列工業應用IO連接器:IW-2PX-CR,IW-2PX-SC,IW-WRX-CR,IW-2RX-SC
Glenair?的TurboFlex?柔性配電設備電纜線由鍍錫、鍍鎳、鍍銀銅制作而成的高股數繩絞內導線組合而成。這些高柔性導線與Glenair的高性能護線套相互結合TurboFlex?柔性配電設備電纜線特別適合需要靈活性、耐久性和重量減輕的應用。
在線留言